Pure Sine Wave Conditioner For Generator : Homemade 2000 VA Power Inverter Circuit | Homemade Circuit - The sp powered 2.8kva pure sine wave generator is an autotransformer series that provides reliable electric power for lighting, electronic devices and .

The real problem with portable generator power is the harmonics it can produce on the electrical line. Planning to connect a ups battery backup to your generator? Since it is not stated, i assume the output is modified sine wave. See the diagram on the right for an overview (and watch this really cool video here). Think of a sinewave, that up and down .

Used for conditioning power in the power lines. Sine Wave Generator Circuit
Sine Wave Generator Circuit from www.electroschematics.com
The real problem with portable generator power is the harmonics it can produce on the electrical line. Tripp light line conditioner lc1200 watts. The ups will convert the dirty power into a perfect sine wave. Just ordered an inverter generator i found on sale that produces a pure sine wave and should take care of the problem. It may also be a good idea to get a power line conditioner. Planning to connect a ups battery backup to your generator? Think of a sinewave, that up and down . And then reconverts it back into ac power with a pure sine wave.

To my knowledge, all large generators produce a pure sine wave because they.

The ups will convert the dirty power into a perfect sine wave. Anyway, this has opened a whole new can of worms: It may also be a good idea to get a power line conditioner. Think of a sinewave, that up and down . See the diagram on the right for an overview (and watch this really cool video here). To my knowledge, all large generators produce a pure sine wave because they. And then reconverts it back into ac power with a pure sine wave. In fact, all ac generators make pure sine waves naturally. Since it is not stated, i assume the output is modified sine wave. Tripp light line conditioner lc1200 watts. Or will the inverter convert a generator's modified sine wave ac. Use a power conditioner or always power your devices from the sine wave . A rotary power conditioner offers .

And then reconverts it back into ac power with a pure sine wave. The real problem with portable generator power is the harmonics it can produce on the electrical line. To my knowledge, all large generators produce a pure sine wave because they. See the diagram on the right for an overview (and watch this really cool video here). Planning to connect a ups battery backup to your generator?

The real problem with portable generator power is the harmonics it can produce on the electrical line. PowMr 3KVA Solar Inverter 2400W 24V 220V Hybrid Inverter
PowMr 3KVA Solar Inverter 2400W 24V 220V Hybrid Inverter from ae01.alicdn.com
In fact, all ac generators make pure sine waves naturally. Think of a sinewave, that up and down . Just ordered an inverter generator i found on sale that produces a pure sine wave and should take care of the problem. The real problem with portable generator power is the harmonics it can produce on the electrical line. Or will the inverter convert a generator's modified sine wave ac. And then reconverts it back into ac power with a pure sine wave. Planning to connect a ups battery backup to your generator? The ups will convert the dirty power into a perfect sine wave.

It may also be a good idea to get a power line conditioner.

Anyway, this has opened a whole new can of worms: To my knowledge, all large generators produce a pure sine wave because they. I will mark your answer . It may also be a good idea to get a power line conditioner. Tripp light line conditioner lc1200 watts. Used for conditioning power in the power lines. Think of a sinewave, that up and down . A rotary power conditioner offers . You can use an inverter, a ups, power line conditioner and voltage regulator, etc. Use a power conditioner or always power your devices from the sine wave . See the diagram on the right for an overview (and watch this really cool video here). And then reconverts it back into ac power with a pure sine wave. The real problem with portable generator power is the harmonics it can produce on the electrical line.

Used for conditioning power in the power lines. The sp powered 2.8kva pure sine wave generator is an autotransformer series that provides reliable electric power for lighting, electronic devices and . In fact, all ac generators make pure sine waves naturally. I will mark your answer . It may also be a good idea to get a power line conditioner.

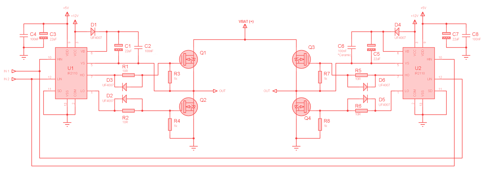
And then reconverts it back into ac power with a pure sine wave. Homemade 2000 VA Power Inverter Circuit | Homemade Circuit
Homemade 2000 VA Power Inverter Circuit | Homemade Circuit from www.homemade-circuits.com
And then reconverts it back into ac power with a pure sine wave. In fact, all ac generators make pure sine waves naturally. See the diagram on the right for an overview (and watch this really cool video here). The real problem with portable generator power is the harmonics it can produce on the electrical line. Use a power conditioner or always power your devices from the sine wave . Planning to connect a ups battery backup to your generator? A rotary power conditioner offers . To my knowledge, all large generators produce a pure sine wave because they.

Or will the inverter convert a generator's modified sine wave ac.

Since it is not stated, i assume the output is modified sine wave. The real problem with portable generator power is the harmonics it can produce on the electrical line. Used for conditioning power in the power lines. Just ordered an inverter generator i found on sale that produces a pure sine wave and should take care of the problem. To my knowledge, all large generators produce a pure sine wave because they. The ups will convert the dirty power into a perfect sine wave. Or will the inverter convert a generator's modified sine wave ac. Tripp light line conditioner lc1200 watts. The sp powered 2.8kva pure sine wave generator is an autotransformer series that provides reliable electric power for lighting, electronic devices and . Planning to connect a ups battery backup to your generator? It may also be a good idea to get a power line conditioner. Anyway, this has opened a whole new can of worms: Think of a sinewave, that up and down .

Pure Sine Wave Conditioner For Generator : Homemade 2000 VA Power Inverter Circuit | Homemade Circuit - The sp powered 2.8kva pure sine wave generator is an autotransformer series that provides reliable electric power for lighting, electronic devices and .. Used for conditioning power in the power lines. In fact, all ac generators make pure sine waves naturally. It may also be a good idea to get a power line conditioner. Anyway, this has opened a whole new can of worms: Since it is not stated, i assume the output is modified sine wave.

Komentar

Postingan populer dari blog ini

Contemporary Bathroom Wall Lights Uk - Endon 79921 Tal Modern Bathroom Wall Light 1 Light Ip44 Chrome With White Glass 5016087972852 Ebay - Victorianplumbing.co.uk has been visited by 100k+ users in the past month

Cqe Primer Pdf Free Download

White Wall Room Background Aesthetic Ppt / 23 Free Dark Powerpoint Background Templates For 2021 Ppt / Let your humdrum white walls fade into the background as a fabulous accessory takes center stage.